中国运载火箭技术研究院北京精密机电控制设备研究所申请的“一种针对火箭伺服机构在突发情况下的气源报警电路”获国家发明专利。
在研制与验收过程中,火箭伺服机构需要使用高压氢气或氦气对其涡轮泵进行氢吹或氦吹试验,以确定涡轮泵是否工作正常。在此项试验中,高压气体的安全使用异常重要,一旦伺服机构在试验中出现异常,极有可能造成巨大安全事故。因此,快速实时有效地检测伺服机构与氢吹、氦吹相关的重要参数,在事故出现前切断气源就显得尤为重要。
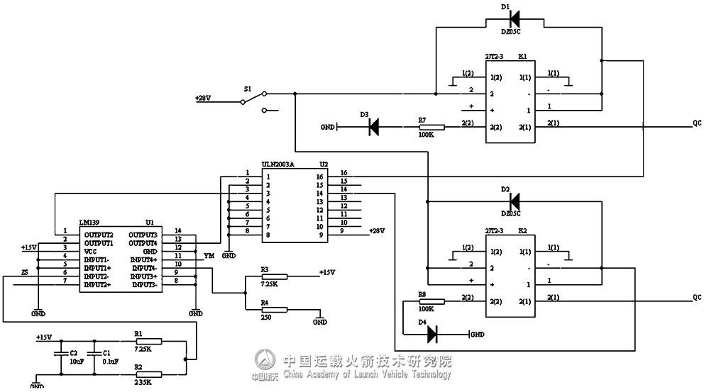
本发明提供了一种针对火箭伺服机构在突发情况下的气源报警电路,当被监测电压达到临界值时,以驱动大功率继电器切断气源电磁阀电路,从而切断气源,具有响应时间快、性能稳定、报警逻辑安全有效的特点,实现过程简单、有效。

△本发明电路原理图
|
网友评论
文明上网理性发言,请遵守新闻评论服务协议